自动分桶机,通过动力输送机、上桶机构、分桶机构和出桶机构,对采用敞口20L带有锥度可以套叠在一起的塑料或金属桶实现自动化分离和输送,将其输送到下一工位等待灌装。减轻工人劳动强度。
自动卸垛机是将在垛板上的空桶有组织卸到进桶输送线上,还可以自动分离垛板及分隔纸皮。
适用于高效大产量自动化灌装线配套。

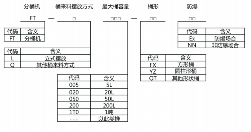
例:FT-L020-YZEx表示分桶机参数为:空桶立式摆放,桶形为圆柱形,最大桶容量为20L,防爆场合。
可选用于防爆场合,防爆等级ExDIIBT4
适应不同桶型的兼容性调整,可通过简单调整达到兼容要求
高效,节省人工
整机结构紧凑,立式存放空桶组,占地面积小
产品工作可靠、性价比高,是替代人工的首选